Descrizione
Il salpa ancore Lofrans’ X1 500W senza campana per l’ormeggio di imbarcazioni da 6 fino a 9m.
Caratteristiche tecniche del salpa ancore elettrico Lofrans’ X1 500W senza campana:
- Fabbricato in bronzo cromato
- Barbotin misto
- possibilità di rilascio manuale
- Scatola del cambio in alluminio anodizzato marino
- Dotazioni incluse:manovella e control box
- Indice di protezione: 66. Totalmente impermeabile alla polvere. Protegge dai cavalloni. Protetto dagli effetti di immersioni fino a 1 m.
- Peso del salpa ancore : 11kg
Questo salpa ancore verticale Lofran’s è disponibile in due versioni senza campana:
- Salpa ancore per catena da 6mm (ISO4565/DIN766) e 3 cordami da 10 a 12mm.
- Salpa ancore per catena da 8mm (ISO4565/DIN766) e 3 cordami da 12mm.
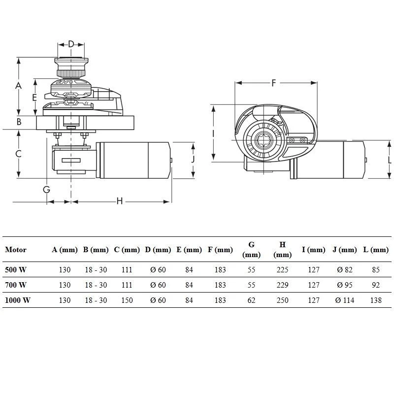
Caratteristiche del motore venduto con il salpa ancora X1 da 500W
- Completamente impermeabile : Norma IP67, che garantisce un’impermeabilità totale contro la polvere, l’acqua e l’immersione fino a 1 m di profondità.
| Potenza del motore | 500W |
| Voltaggio | 12 V |
| Forza di sollevamento (Kg) | 630 Kg |
| Carico di lavoro (Kg) | 70 Kg |
| Consumo massimo (Amps) | 75 A |
| Velocità medi di risalita (m/min) | 23 m/ min |
| Velocità massima di risalita (m/min) | 26 m / min |
| Stacca batteria raccomandato (non incluso) | termico 35A (vedere il prodotto) |
Seguono gli optional, gli accessori e i barbotin di ricambio che noi vi proponiamo per questi salpa ancora (cliccare sopra per visualizzare il prodotto)
- Accessori : Telecomandi, contatore di catena
- Barbotin 6 mm (ISO4565/DIN766)
- Barbotin 7 mm ( ISO4565)
- Barbotin 8 mm (ISO4565/DIN766)
Orangemarine è il distributore ufficiale del marchio LOFRANS’. A questo titolo, noi vi proponiamo per la manutenzione dei vostri salpa ancore , dei kits di manutenzione et dei pezzi di ricambio e ricarica :
- Vedere il kit di manutenzione per salpa ancora X1 500W
- Vedere il motore 500W compatibile
- Trovare i pezzi ricambio per questo salpa ancora
Garanzia Lofran’s
3 anni
Uso e manutenzione
Dopo ogni utilizzo, sciacquare con acqua dolce il salpa ancore, la catena e la cima. Utilizzare regolarmente del WD40 e controllare lo stato delle connessioni.


















Recensioni
Ancora non ci sono recensioni.