Descrizione
I tergicristalli a vite di Trem sono realizzati con materiali resistenti alla ruggine.
.
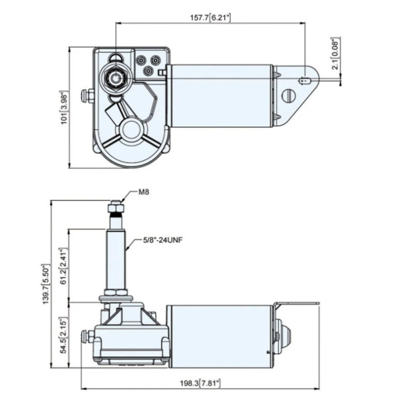
Specifiche tecniche :
L’angolo di rotazione può essere regolato su un’ampiezza di 83° – 100° -110° -120°.
Albero da 50 mm. Ø 16 mm.
Spessore della parete da 3 mm. a 38 mm.
Assorbimento 1,5A velocità veloce a 12V, 1A velocità bassa a 12V.










Recensioni
Ancora non ci sono recensioni.